气动U型蝶阀

-口径:DN50~DN300
-连接标准:PN10/16, ANSI150, DIN16, JIS10K, 16K
-工作温度:-15~150℃
-工作压力:PN1.0~2.0
-阀体材质:球墨铸铁
-阀板材质: 碳钢、SS304、SS316、抛光板
-密封材质:EPDM, PTFE
-介质:强酸,强碱,饲料等
-驱动方式:气动


订购热线:400-669-8805

立即咨询
  • 产品简介
  • 产品参数

U型法兰蝶阀采用的是三维偏心原理设计,使密封面的空间运动轨迹达到理想化,密封面相互之间无磨擦、无干涉、加之密封材料选择得当,从而使蝶阀的密封性、耐腐蚀性、耐高温性和耐磨性等得到了可靠的保证。

采用上装式结构,在高压、大口径条件下减少了阀体自身的连接螺栓,增强了阀门的可靠性且能克服系统自重对阀门正常工作的影响。结构简单,通用互换性好,维修拆卸方便,阀杆密封不易变型,避免了阀杆泄露,阀座密封面与靠背为一体,减少了阀座的变形量。

其特点是开启力矩小,灵活方便,省力节能。 三维编心结构,使蝶板越关越紧,其密封性能可靠,达到无泄漏。耐高压、耐腐蚀、耐磨损、使用寿命长等。

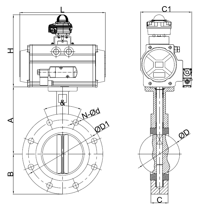
气动U型蝶阀外形图:

蜜桃国精产品二三三区视频

气动U型蝶阀尺寸表:

蜜桃国精产品二三三区视频

蜜桃国精产品二三三区视频