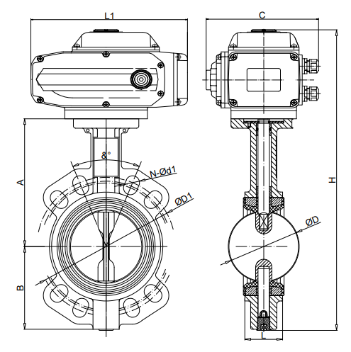
-口径:DN25~DN1200
-连接标准:PN10/16, ANSI150, DIN16, JIS10K, 16K
-工作温度:-15~200℃
-工作压力:PN6~16
-阀体材质:球墨铸铁、SS304、SS316、WCB、铝合金、2205、2207、1.4529
-阀板材质: SS304、SS316、铝青铜、尼龙板、球铁板、2205、2207、1.4529
-密封材质:EPDM、PTFE、NBR、VITON
-介质:水,油,气体,粉末颗粒,烟气脱硫
-驱动方式:电动
订购热线:400-669-8805
立即咨询对夹式蝶阀的蝶板安装于管道的直径方向,一般水平安装。在蝶阀阀体圆柱形通道内,圆盘形蝶板绕着轴线旋转,旋转角度为0°-90°之间,可以起到流量调节的作用。当蝶板旋转到90°时,阀门达到最大开度。
对夹式蝶阀结构简单、体积小、重量轻,只由少数几个零件组成。而且只需旋转90°即可快速启闭,操作简单,同时该阀门具有良好的流体控制特性 ;
蝶阀的结构原理尤其适合制作大口径阀门。
对夹式蝶阀 广泛应用于煤化工、石油化工、橡胶、造纸、制药等管道中作介质的分流合流或流向切换装置;阀体采用精密铸造 表面光洁无毛刺无沙眼。
国标PN10PN16外型尺寸表:
美标150LB日标10K外型尺寸表:
