手动法兰蝶阀

参数:
-口径:DN50~DN1200
-连接标准:PN10/16, ANSI150, DIN16, JIS10K, 16K
-工作温度:-25~200℃
-工作压力:PN6~16
-阀体材质:球墨铸铁、SS304、SS316、WCB、铝合金、2205、2207、1.4529
-阀板材质: SS304、SS316、铝青铜、尼龙板、球铁板、2205、2207、1.4529
-密封材质:EPDM、PTFE、NBR、VITON
-介质:水,油,气体,粉末颗粒,烟气脱硫
-驱动方式:手动


订购热线:400-669-8805

立即咨询
  • 产品简介
  • 产品参数
法兰蝶阀小巧轻便,容易拆装及维修,并可在任意位置安装。
结构简单、紧凑,操作扭矩小,90°回转开启迅速;密封结构采用聚四氟乙烯、合成橡胶和酚醛树脂构成复合阀座,使阀座在具有弹性的同时强度更好。同时将蝶板用聚四氟乙烯全包覆,使蝶板具有较强的抗腐蚀性能。
 流量特性趋直线,调节性能好。 蝶板与阀杆的连接采用无销钉结构,克服了有可能的内泄漏点。
 蝶板外圆采用球面造型,提高了密封性能及延长了阀门的使用寿命,带压启闭5万次以上仍保持零泄漏。 
密封件可更换,且密封可靠达到双向密封。 
蝶板可根据用户要求喷涂覆层,如尼龙或聚四氟类。

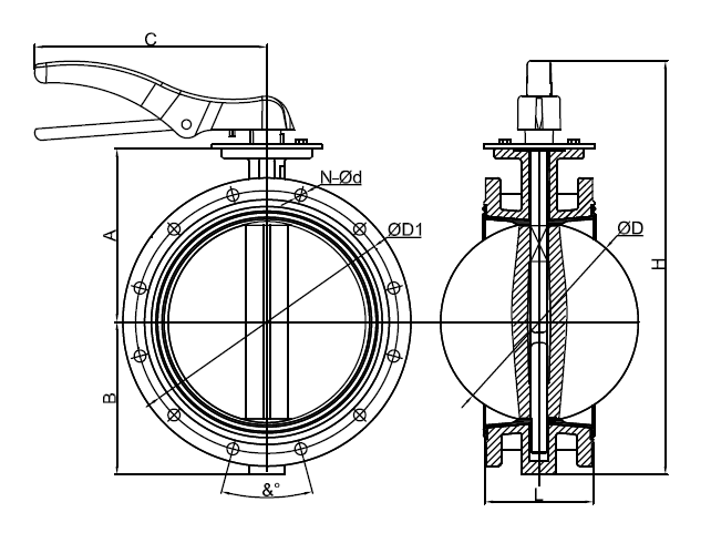
手动法兰蝶阀外形尺寸图:

蜜桃国精产品二三三区视频

手动法兰蝶阀外形尺寸表:

蜜桃国精产品二三三区视频

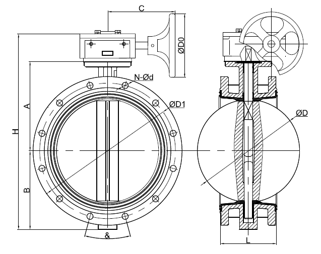
涡轮法兰蝶阀外形图:

蜜桃国精产品二三三区视频

涡轮法兰蝶阀外形尺寸表:

蜜桃国精产品二三三区视频

蜜桃国精产品二三三区视频